PERFORMANCE PARAMETER AT N=2900RPM
Model | Inlet | Outlet | Power | Max.Head | Max.Flow | Max.Diving depth | |
Single phase | Inch | Inch | KW | HP | m | m3/h | m |
SCLP550 | G1 1/2” | G1 1/2” | 0.55 | 0.75 | 14 | 22 | 2 |
SCLP750 | G1 1/2” | G1 1/2” | 0.75 | 1.0 | 16 | 25 | 2 |
SCLP1100 | G1 1/2” | G1 1/2” | 1.1 | 1.5 | 17 | 25 | 2 |
SCLP1500 | G1 1/2” | G1 1/2” | 1.5 | 2.0 | 18 | 28 | 2 |
| SCLP1800 | G2" | G2" | 1.8 | 2.5 | 19 | 30 | 2 |
| SCLP2200 | G2" | G2" | 2.2 | 3.0 | 20 | 33 | 2 |
PERFORMANCE CURVE AT N=2900RPM:


POOL PUMP & MOTOR INTRODUCTION & APPLICATION:
| PUMP BRIEF INTRODUCTION | ELECTRIC MOTOR INTRODUCTION | OPERATING CONDITIONS | INSTALLATIONS AND APPLICATION |
| Pump with a filter system. It was widly sold in Europe, Latin American and Middle-East countries. | •Two-pole induction motor, 50Hz (n = 2850rpm), 60Hz (n=3450rpm) •Single phase 220V-240V; 110V-127V; Dual Voltage: 110-220V •With thermal protector incorporated into the winding •Insulation class F< •Protection IP66 | •Liquid temperature up to +50 ℃ •Ambient temperature up to +75 ℃ •Max. Working pressure 3bar •Continuous duty | •For water re-circulation in swimming pool filtration system •For clean and slightdirty water with solids in suspension •The pump should be installed in an enclosed environment or sheltered from inclement weather |
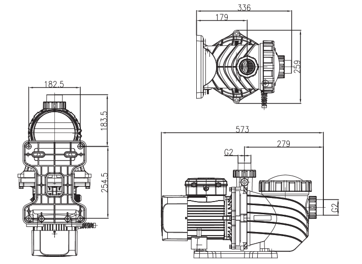
INSTALLATION DIAMENSION DRAWING:

| Components | Material Description |
| Pump body | PA Engineering Plastic Rather than Polypropylene |
| Hair filter | Stainless Steel or PC plastic |
| Diffusor | Plastic |
| Base | Plastic |
| Impeller | Plastic |
| Water -proof sheet | Plastic |
| Bearing | (BUT)2RSL; S.S silicon carbide |
| Rubber Componments | Fluororubber |
| Terminal Box | Aluminium or Plastic |
| Motor | 50WW600, 100% Copper Winding; IP X6; Full Power |
| Fan Cover | Aluminium or Plastic |
OEM SERVICE::
1.Pump color customized. (Order quantity >=300 pcs);
2.Small MOQ: 50 PCS for each model;
3.To Design and Develop the products after listening reasonable feedback from Clients.
4.To Produce under clients requirements on Pump Power, Head, and Flow rate.